当前位置:
taptap点点下载官网
>
taptap点点下载官网
>
taptap点点下载官网年度报告
>
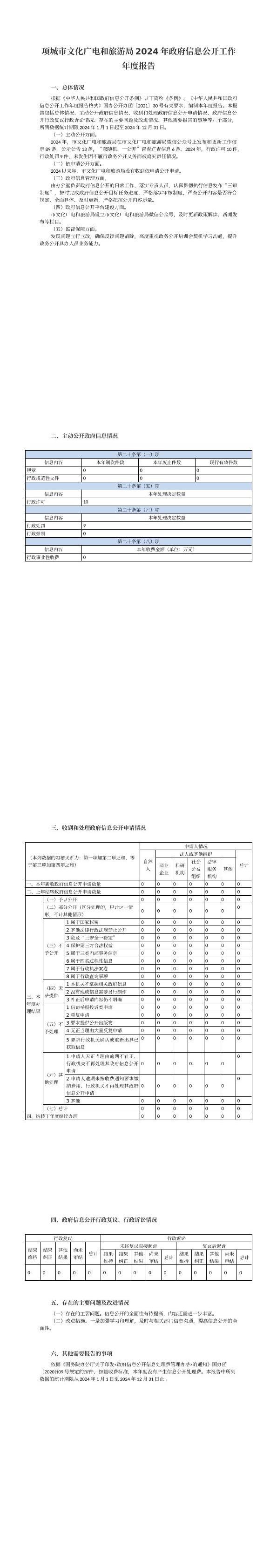
taptap点点文化广电和旅游局2024年taptap点点下载官网工作年度报告
来源: taptap点点账号注册
时间: 2025-01-24 17:01:21
访问量:
0
字体大小[
大
中
小
]
打印
分享:
责任编辑:xcs
map